Gearbox 401-0007, Ratio 1147, 1 3/8 Smooth, 1/2 Shear Pin Input, 12 Spline
Date: December 8, 2025
Posted by: admin
In: gearbox

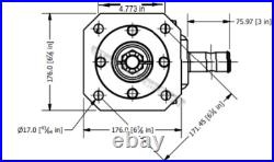
1:1.47 SU(speed up) ratio drop-in replacement gearbox. Please Look at all pictures. One (1) Brand New Gearbox 1:1.47 SU (speed up) ratio for rotary cutter. 1-3/8″ diameter smooth input shaft with ½” shear bolt hole. The output shaft has 12 tapered splines 1.57 diameter. 4 bolt mounting pattern is 6-3/4″ diagonally center to center hole or 4-3/4″ or more precisely 4.773 from center to the center of adjacent holes. Note: Your Actual Gearbox may have a round housing or square housing, but this drop-in replacement gearbox should still fit if all the other measurements are the same. Rated 40 HP at 540 RPM. Input shaft smooth 1-3/8″ diameter with ½” shear bolt hole. 1: 1.47 ratio SU (speed up). Output shaft 12 tapered splines. 1.57 inches (39.878 mm) diameter. 4 Bolt mounting pattern is 6-3/4 diagonally center to the center hole. 4-3/4″ or more precisely 4.773″ from center to the center of adjacent holes. Standard rotation (clockwise in/ counterclockwise out). Includes castle nut, cotter pin, and breather vent. Includes input shaft retaining ring. This gearbox may fit the following part number. BMB – 1080, 10300. RHINO – 0711050100, 71105. OMNI – 250123, 250001. SE BIG OX – 1970. Please message or call if additional information is needed before purchasing. Your complete satisfaction is important to us. All parts are guaranteed to meet with your approval! The use of their part numbers and or drawings are only used to aid AgriQualityPartsSupply customers in finding the correct replacement part.
Comments are currently closed.